Silver Mat Etiket 90 X 40, endüstriyel kullanım ihtiyaçlarına özel olarak geliştirilmiş, yüksek dayanıklılık sunan profesyonel etiket çözümlerinden biridir. Özellikle uzun ömürlü kullanım gerektiren uygulamalarda tercih edilen bu etiket modeli, Barkod Box kalitesi ile üretilmekte ve işletmelerin etiketleme süreçlerinde maksimum verimlilik sağlamaktadır. Bununla birlikte, silver mat etiket yapısı sayesinde dış etkenlere karşı yüksek direnç gösterilmekte ve baskı kalitesi uzun süre korunmaktadır.
Ayrıca, resin ribon ile kullanılmak üzere tasarlanmış olması sayesinde baskılar silinmeye karşı dayanıklı hale getirilmekte, böylece barkod okunabilirliği her zaman yüksek seviyede tutulmaktadır. Dolayısıyla, hem iç mekân hem de zorlu dış ortam koşullarında güvenle kullanılabilmektedir.
Silver Mat Etiket Özellikleri
Silver mat etiketler, plastik bazlı yapısı ile klasik kağıt etiketlere kıyasla çok daha güçlü bir performans sunmaktadır. Bu nedenle; sürtünme, nem, ısı ve kimyasal temas gibi zorlu koşullarda bile formunu koruyabilmektedir. Aynı zamanda, metalik gri yüzeyi sayesinde profesyonel ve estetik bir görünüm elde edilmektedir.
Bunun yanı sıra, güçlü yapışkan özelliği sayesinde farklı yüzeylere kolaylıkla uygulanabilmekte ve uzun süre kalıcılığını koruyabilmektedir. Böylece etiketin düşmesi veya deforme olması gibi sorunlar minimuma indirilmektedir.
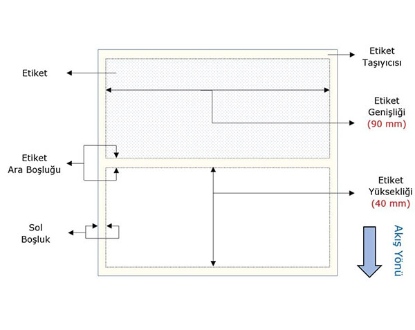
Teknik Özellikler
Aşağıda Silver Mat Etiket 90 X 40 ürününe ait teknik detaylar yer almaktadır:
- Malzeme: Plastik Bazlı
- Ölçü: 90 mm X 40 mm (Tekli)
- Yapışkan: Var
- Kullanılabilen Ribon Tipi: Resin
- Gramaj: 110 gram (±10 gram)
- Etiket Genişliği: 90 mm
- Etiket Yüksekliği: 40 mm
- Bir Satırdaki Etiket Sayısı: 1
- Rulodaki Satır Sayısı: 1.000
- Rulodaki Etiket Sayısı: 1.000
- Rulo İç Çapı: 40 mm
- Rulo Dış Çapı: 100 mm (±5 mm)
- Rulo Genişliği: 100 mm
- Etiket Rengi: Metalik Gri
- Taşıyıcı Rengi: Açık Beyaz
Kullanım Alanları
Silver mat etiketler, geniş kullanım alanı sayesinde birçok sektörde aktif olarak tercih edilmektedir. Özellikle aşağıdaki alanlarda yaygın olarak kullanılmaktadır:
- Endüstriyel üretim ve fabrika ortamları
- Demirbaş ve sabit kıymet etiketleme
- Elektronik ve teknik ürün etiketleri
- Otomotiv ve yedek parça sektörü
- Depo ve lojistik yönetimi
- Kimyasal ve dayanıklılık gerektiren ürün etiketleme
Ayrıca, uzun süreli kullanım gerektiren projelerde barkod etiketi olarak tercih edilmekte ve veri takibi güvenilir şekilde yapılabilmektedir.
Neden Barkod Box Silver Mat Etiket?
Barkod Box tarafından sunulan silver mat etiket çözümleri, kalite ve dayanıklılık açısından üst seviyede üretilmektedir. Bu sayede, işletmelerin etiketleme süreçlerinde oluşabilecek riskler minimize edilmektedir.
Bununla birlikte:
- Yüksek baskı kalitesi sağlanmaktadır
- Zorlu koşullara karşı dayanıklılık sunulmaktadır
- Barkod okunabilirliği uzun süre korunmaktadır
- Güçlü yapışkan ile kalıcı kullanım sağlanmaktadır
Dolayısıyla, işletmeler hem maliyet avantajı elde etmekte hem de operasyonel süreçlerini daha verimli hale getirmektedir.
Silver Mat Etiket 90 X 40, dayanıklılığı, estetik görünümü ve uzun ömürlü yapısı ile profesyonel etiketleme çözümleri arasında öne çıkmaktadır. Özellikle resin ribon ile birlikte kullanıldığında maksimum performans sağlanmakta ve etiketin kullanım ömrü önemli ölçüde artırılmaktadır.
Eğer siz de işletmeniz için kaliteli, dayanıklı ve güvenilir bir etiket çözümü arıyorsanız, Barkod Box ile iletişime geçerek detaylı bilgi alabilirsiniz. Böylece ihtiyaçlarınıza en uygun etiket çözümüne hızlı ve kolay bir şekilde ulaşabilirsiniz.






